2-channel-type:MDC-2000B

-
◆Fast current rises.
Since the welding current rises 4.5 times faster than that with the *conventional welders, high quality welding can be accomplished in a short period of time on small work pieces.
* Compared with the conventional model MD-1500E -
◆No welding transformer needed
The welding current is directly controlled with fast switching by transistor, so no welding transformer is required.
-
◆Three control types to choose from
You can choose from three types of control - "constant current," "constant voltage," or "constant voltage and current" - to suit the workpieces.
-
◆Built-in pre-check function
Applying current on the workpiece before the main current, it is possible to judge whether or not there is a workpiece set on the electrodes, and to evaluate the status of workpiece.
-
◆Polarity switchable type
This can eliminate the Peltier effect (polarity effect) and provide uniform nugget diameters on series welding.
-
◆Two-channel type
With this type, it can reduce the cast and save some spaces for time difference welding.
| Model | MDA-8000B | MDA-4000B | MDA-1000B | |
|---|---|---|---|---|
| Type | Standard type | |||
| Power requirements | Single-phase, 100 to 120VAC or single-phase, 200 to 240VAC 50/60Hz | |||
| Maximum power consumption | 350W | 300W | 300W | |
| Maximum weld current | 9990A | 5000A | 1500A | |
| Maximum weld voltage | 30V | |||
| Control method | Constant current control / constant voltage control / constant current and voltage control | |||
|
Timer setting (31 schedules) |
Squeeze |
000 - 999ms / 000 - 999ms X 10 |
000 - 999ms | |
| Precheck welding | 0.00 - 1.00ms | |||
| Precheck evaluation time | 2ms (Fixed) | |||
| Upslope | 0.00 - 9.99ms (Included in weld) *1 (Included in weld 1) *2 | |||
|
Weld (1-step welding mode) / Weld 1,2 (2-step welding mode) |
0.00 - 9.99ms | |||
| Cool (for 2-step welding mode only) | 0.00 - 9.99ms | |||
| Downslope | 0.00 - 9.99ms (Included in weld) *1 (Included in weld 2) *2 | |||
| Hold | 000 - 999ms | |||
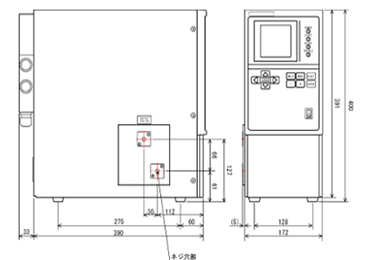
| Dimensions (mm) *5 | 172(W) X 390(D) X 400(H) | 172(W) X 390(D) X 269(H) | ||
| Mass | 28kg | 18kg | 15kg | |
- *1: 1-step welding mode
- *2: 2-step welding mode
Specifications subject to change without notice.
| Model | MDB-4000B | MDB-2000B | MDC-2000B | |
|---|---|---|---|---|
| Type | Polarity switching type | Two-channel type | ||
| Power requirements |
Single-phase, 100 to 120VAC or single-phase, 200 to 240VAC 50/60Hz |
|||
| Maximum power consumption | 350W | 300W | ||
| Maximum weld current | 5000A | 3000A | ||
| Maximum weld voltage | 30V | |||
| Control method | Constant current control type / constant voltage control type / constant current and voltage control type | |||
|
Timer setting (31 schedules) |
Squeeze |
000 - 999ms / 000 - 999ms X 10 |
000 - 999ms | |
| Precheck welding | 0.00 - 1.00ms | |||
| Precheck evaluation time | 2ms (Fixed) | |||
| Upslope | 0.00 - 9.99ms (Included in weld) *1 (Included in weld 1) *2 | |||
|
Weld (1-step welding mode) / Weld 1,2 (2-step welding mode) |
0.00 - 9.99ms | |||
| Cool (for 2-step welding mode only) | 0.00 - 9.99ms | |||
| Downslope | 0.00 - 9.99ms (Included in weld) *1 (Included in weld 2) *2 | |||
| Hold | 000 - 999ms | |||
| Monitor display |
Weld 1 and 2 (Average current / average voltage), weld 1 and 2 (Peak current / peak voltage), weld 1 and 2 (Average power / average resistance), current, voltage, power, resistance waveform, schedule number |
|||
| Dimensions (mm) *5 | 172(W) X 390(D) X 400(H) | 172(W) X 390(D) X 269(H)) | ||
| Mass | 28kg | 18kg | ||
- *1: 1-step welding mode
- *2: 2-step welding mode
Specifications subject to change without notice.
-
◆MDA-4000B MDA-1000B MDB-2000B MDC-2000B
-
◆MDA-8000B MDB-4000B